- VCC supply voltage is Colector, his opponent is a VEE. C and E stands for Colector and Emitter which means active components on the circuit of the Transistor is a disupply/igbt. While the supply voltage is VDD Drain, his opponent is VSS. D and S stands for Drain and Source which means the active components in a series of disupply is FET/MOSFET.
- GND is neutral, not VEE or VSS, although often encountered VEE or VSS GND in one line strung. An example is on the set of OCL amplifier, the output is the emitter, is supply each at the collector of the transistor. So this supply could be called input VCC + VCC-, medium and neutral is the GND/0.
- VREF is the reference voltage, this voltage is used to reference the regulation/settings.
- AVDD is Analog supply voltage, DVDD is the supply voltage while the digital. So too with the term and SEMESTER DATES DVCC. The difference is in the active component.
- HVDD voltage supply is for the IC column and row drivers (when worn).
- VGH is positive/high gate voltage (Voltage of the High Gate), whereas VGL was the negative/low gate voltage (Voltage of the Low Gate). While the GATE is the name of one of the legs of FETs/MOSFETs, it means that supplyed by the VGH and VGL have component active-type FETS/MOSFETs.
- VCOM Voltage stands for Common or shared voltage. At the beginning it has been mentioned that there are thousands even millions of active components in the LCD screen, the active component of this joint called VCOM voltage.
- VGAMMA Voltage is gamma. Often abbreviated as VGMA or VGM.
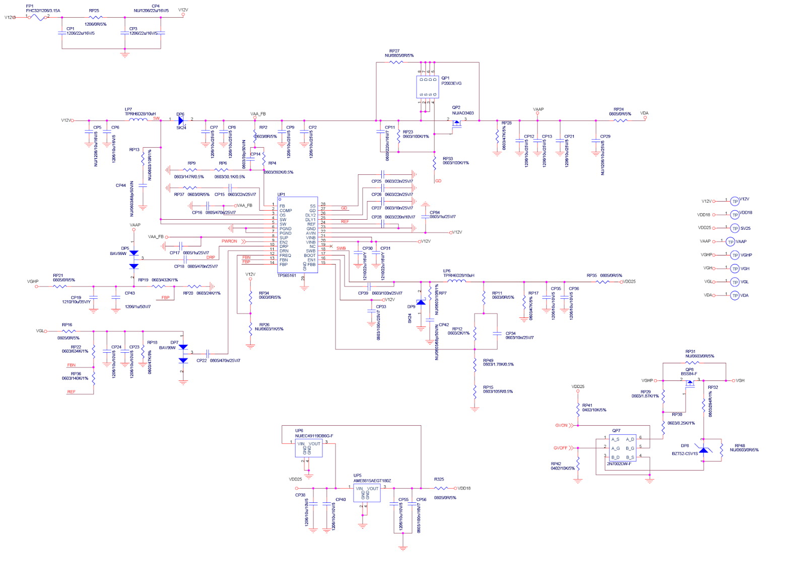
All Voltage to supply panels most of the supplyed of the DC to DC converter regulators, some small supplyed with regulator LDO. Description of the LDO is on this blog as well. Power supply panel area often encountered into one circuit TCON. This power supply input voltage 1 generally use only (PVDD) that supplyed of the mainboard or the PSU, then voltage is converted into a voltage for consumption among other panel voltage VREF, VCOM, VGH, VGL, AVDD, HVDD and VDDC.
The following is an example of IC and schematic power supply ic panel using CM501 and TPS65161.
In the schema, the input voltage panel of mainboard/psu is 12V. On some types of layer/panels use 3V3 and 5V input voltage. following each major voltage measured on the basis of standard panels (not closing the possibility of voltage can be different, depending on the manufacturer/type of panel):
- AVDD COF ic supply voltage, i.e. the COF panel, about 15V.
- HVDD COF ic supply voltage, i.e. the COF panel, about 8v.
- DVDD or VDDC voltage supply ic, namely the COF panel and TCON/controller ic, with about 3,3v, there are also supply TCON wearing 1,2v.
- VGL or VOFF, i.e. the voltage gate OFF, usually around -6V5 (minus 6V5). This regulation results from voltage voltage VGL initially around -12V.
- VGH or VON, i.e. the voltage gate ON, depending on the size of the inch/large panel, at 32in about 27V, the larger the size of the screen then the greater the VGH voltage as well.
- VGHM is the VGH voltage managed voltage, meaning here censored/protected and can be-on/off.
- VCOM voltage is common, this voltage as a reference about 28V, because VCOM is large, then the brightness control voltage VCOM can vary. There is also a large voltage is fixed.
- VREF is the reference voltage for the reference of the regulator/converter.
- OVP is more voltage protection on outputs, when detected, then the ic will be OFF.
- OCP is overload protection, e.g. output short or overloaded, then the ic will be OFF.
- Power good signal/output voltage is that tells/sign that ic work well.
- On/OFF is the power control ic, so ic can be controlled from the outside, for example from ic TCON.
- Input voltage detector (I VDET), will detect whether or not enough voltage input.
More about the workings of the DC to DC can be learned in an article about power supply and about regulators.
VGH and VGL
A little offensive about VGH and VGL, why high voltage, VGH VGL are even below 0 (a minus). The reason/purpose is:
- The LCD cell is a capacitor dicharge and discharge by active components FET/TR.
- The nature of the capacitor is storing a voltage. When the capacitor voltage is filled and then removed then the voltage in the capacitor will gradually decrease until the missing/empty charge.
- VGH is made to charge capacitors (through the gate) along with the signal on/off of the column driver, consequently cells/capacitor is fully charged, so that the dead cells. If the gate/VGH removed, then the flame will gradually light. Or it could be said to leave a trace, because this is the nature of capacitors.
- In order not to leave traces, the capacitor must be didischarge/emptied quickly. The most practical way is to fill the transistor with reverse voltage (reversed polarity), i.e. with VGL.
- Because the active components in the form of 1 FET/TR, then the same with the polarity Inverter circuit, meaning that when the gate ON then the cells will die, when the gate OFF then it will turn on.
VCOM voltage are used together in all components of the active cell in the matrix of the supplying distance Source (Emitter on TFT), medium Drain (collector) in the supply by the column drivers (COF) so that the voltage level/large VCOM can be used to set the brightness of the LCD picture.
When disorder VCOM, then brightening of the image can be changed. In general lines VCOM insert each COF column drivers, then allow the dark image in part (e.g., the existence of the line VCOM on COF the problematic because of corrosion or cracking).
When troubled VCOM at the base (in the section VCOM voltage source), it means there will be a disruption of brightness at full screen but not blank (because there is a small leakage of VGL on screen).


V500HK1-CS5 t con VGH voltage 0v
Very useful information
helpful post to learn about circuits
gatwick parking
secure airport parking gatwick
thank's
check other articles at zaenalelectronic.blogspot.co.id
using Indonesian language of course.
Thanks
Thanks
i like the info provided.Avionics Displays
good information.
thanks
Thankyou for your information.but a small request which pin voltage missing what will be the fault with pictures please.
Find TV Repair in Gurgaon, of Led TV Repair in Gurgaon,LCD TV Repair in Gurgaon, and Plasma TV Repair in Gurgaon. We Provide Gurgaon Leading TV Experts, Deal in all LCD LED Plasma TV Repair & Installation Services as TV Service Centre of LG, Sony, Samsung , Videocon Panasonic.
Nice information sharing with this Blog, thank you admin.
Multi-brand TV, LED, LCD Service center is now in gurgaon. We have highly qualified technicians for TV Repair in gurgaon, Led TV Repair Gurgaon, LCD TV Repair gurgaon.
Sony TV Service Center in Hyderabad
Best doorstep services
Contact us : 9640036052
Lifeasy is offering LED TV repair in Gurgaon at very resonable price.
Geat job done
Fine and thanksfull
Nice Blog
Thank you for providing useful information
thank u for providing useful information
thank u nice blog
Thank u nice blog
LED service center in jaipur
Thanks for given this information here about this blog.
Plasma TV repair in Jaipur
3d tv repair in Jaipur
The number of companies is available in the market which manufacturer LED TV so customer is become confuse where to purchase the LED TV in India. The solution is ”Vision electronergy” .We are the suppliers of LED TV from Noida Delhi/NCR to across the nation with the following specification –
Specifications:-
Inches: - 16", 18", 20", 22", 24", 32", 40", 50"
Full HD 1080P
Audio:-.mp3, .m4a, .wma.
Picture:- JPEG, BMP, PNG
HDMI, USB
Backlight
Numbers of speakers : 2
Visit to order: http://www.visionelectronergy.com/LED-TV-India.html
LED TVs supplier Company in Noida
I am so happy
Nice information . This s very helpful thank you for sharing..
LED TV manufacturers
Amazing blog post. Such an interesting concept you have shared with us. This is useful details for those who are looking for LDO Trader
This comment has been removed by the author.
Usefull material for LCD, led.
my congratulations,
the very first place with really usefull information in lcd technology.
Ashok electronic
can someone please guide me where can I fix voltage supply of my Acer H277HU 27-inch With USB-C Monitor (Review), Cant find it anywhere online
Excelente Muchas gracias
This information is very useful for me. Thank you. For more details Click Here
ac repairing courses in patna
WINDOW AC repairing courses in patna
SPLIT AC repairing courses in patna
CAR AC repairing courses in patna
Plant AC repairing courses in patna
washing machine repairing courses in patna
ro repairing courses in patna
fan repairing courses in patna
led repairing courses in patna
lcd repairing courses in patna
smart tv repairing courses in patna
laptop repairing courses in patna
desktop repairing courses in patna
computer repairing courses in patna
fridge repairing courses in patna
mobile repairing courses in patna
motor repairing courses in patna
Great work. Very useful information. If you want to know more about this Search here
Hi thanks for sharing your information.The insights are really helpful and information.
Samsung Service Center in Hyderabad We are here to provide Home Appliance Service Centre 040–66833003 9640036052
Thanks for sharing such a beautiful information.
Sony LED TV Service Center in Hyderabad We are providing best Home Appliance Services.We have best service boys in Hyderabad. Contact Us:9640036052 :040-66833003
Thank you for providing nice information. Here is info of another one for Sony Service Centre in Hyderabad We are providing best home appliance service & repairs. We have the best Service Boys in Hyderabad & Secunderabad.<a href="http://electronics99.in/sony-service-centre-in-hyderabad.html”> sony service center in hyderabad</a>
Lc320dxy panel volt
Nice info.
Medium Voltage Switchgear panels
Thank you for providing useful information. here TV Service Center in Visakhapatnam also provides best doorstep services.
LG TV SERVICE CENTER IN VIJAYAWADA
The great thing about this post is quality information. I always like to read amazingly useful and quality content. Your article is amazing, thank you for sharing this article.
Forex Trading
Forex Market
Foreign Exchange Market
Excellent post. I was checking constantly this blog and I am impressed! Very useful info specifically the last part ?? I care for such information much. Thank you and good luck.
Ready To Repair
"When I was applying for a loan to purchase my building as a small business owner in a tough situation, conventional banks said they could not help me. the loan firm from mr lee sat down with me, heard my situation and decided that I was worth taking a chance on. Here we are 5 years later and I have just renewed my loan for another 7 years. I couldn’t have purchased my building without the help of the loan from mr lee and will be forever indebted to them for giving me a chance when no one else would."here is mr lee contact Email: 247officedept@gmail.com Also on whatsApp: +1-989-394-3740So I will advise anyone here looking for a loan to contact mr lee for an assistance of loan fundings.
Outstanding amongst other home machine administration focus SAMSUNG Service Center Lucknow that everybody hopes to had a help place this way. The individuals truly merits this administration community. Each difficult that occurs in your home machine is can be illuminated by our heads. We dissect the issue of your home machine perfectly and in cutting edge way. So you can aimlessly trust on our administration.
Outstanding amongst other home machine administration focus Whirlpool Service Center Lucknow that everybody hopes to had a help place this way. The individuals truly merits this administration community. Each difficult that occurs in your home machine is can be illuminated by our heads. We dissect the issue of your home machine perfectly and in cutting edge way. So you can aimlessly trust on our administration.
Outstanding amongst other home machine administration focus IFB Service Center Lucknow that everybody hopes to had a help place this way. The individuals truly merits this administration community. Each difficult that occurs in your home machine is can be illuminated by our heads. We dissect the issue of your home machine perfectly and in cutting edge way. So you can aimlessly trust on our administration.
Outstanding amongst other home machine administration focus SIEMENS Service Center Lucknow that everybody hopes to had a help place this way. The individuals truly merits this administration community. Each difficult that occurs in your home machine is can be illuminated by our heads. We dissect the issue of your home machine perfectly and in cutting edge way. So you can aimlessly trust on our administration.
I would like to know, if VCOM has no voltage read in the tester, what does it means? Is the tcon is broken? How can we normalize the voltage of VCOM inthat case?
Home apparatuses like clothes washers, fridges, cool, additionally a microwave. So these are the machines, such as washing garments in the clothes washer and preparing food in the microwave, etc.So numerous individuals like to utilize these kinds of machines and machines will make numerous issues . Panasonic Service Center Pune
Clothes washer is a machine that washes grimy garments. This barrel is loaded up with water, and afterward turned rapidly to make the water eliminate soil from the garments . Panasonic Washing Machine Repair Pune Most the clothes washers are made so cleanser can be placed in to the machine. These can help make the garments cleaner. You have any issue in the home apparatuses
The clothes washer is additionally called as garments washer or just the washer. You have any issue in the home machines you simply contact the number given beneath. Panasonic Washing Machine Service Center Pune
Try not to not stress that issue simply contact number. Our best experts to your concern.
Home machines these days endless individuals are utilizing it. It is likewise used to cool the dehumidify rooms, loaded up with heat delivering electronic gadgets Panasonic Refrigerator Repair Pune
Forced air systems frequently utilized a fan to appropriate the cooled air to confront numerous issues with forced air systems. Like fan issues. We are offering the best types of assistance from past years. You will get any fix in the fridge you simply contact the number given beneath
The temperatures bring down the proliferation pace of microscopic organisms, so the fridge lessens the pace of waste cooler keep up a temperature a couple of degrees over the point of solidification of the water Panasonic Refrigerator Service Center Pune
You will get any fix in the cooler you simply contact the number given beneath. Our best professionals to take care of your concern
There various parts in the microwave. It will get numerous issues in the microwave. Our best experts to tackle your concern Panasonic Microwave Oven Repair Pune
You any issue in the microwave just contacts the number given underneath. Our best professionals to take care of your concern. Just we approach our administration community.
So on the off chance that you confronting any issues with your forced air systems, at that point you can move toward our administration center Panasonic AC Service Center Pune
you have any issue in the AC simply contact the number given underneath. Our best specialists to take care of your concern. Our best specialists to take care of your concern. Our best experts to tackle your concern.
Endless individuals want to utilize these kinds of machines and machines will make numerous issues. Home machines are the best and all are utilizing home apparatuses. Panasonic Service Center Mumbai
It will get numerous issues .Our best professionals to tackle your concern. You any issue in the microwave just contacts the number given underneath.
Clothes washer is a machine that washes grimy garments. This barrel is loaded up with water, and afterward pivoted rapidly to make the water eliminate earth from the garments Panasonic Washing Machine Repair MumbaiMost the clothes washers are made so cleanser can be placed in to the machine. These can help make the garments cleaner. You have any issue in the home apparatuses.
The clothes washer is likewise called as garments washer or basically the washer. You have any issue in the home apparatuses you simply contact the number given underneath Panasonic Washing Machine Service Center Mumbai
Try not to not stress that issue simply contact number. Our best professionals to take care of your concern. You will get any fix in the clothes washer you simply contact the number given beneath.
We are offering the best types of assistance from past years. You will get any fix in the fridge you simply contact the number given beneath Panasonic Refrigerator Repair Mumbai
not to not stress that issue simply contact number. Our best professionals to tackle your concern.
So on the off chance that you confronting any issues with your forced air systems, at that point you can move toward our administration center Panasonic AC Service Center Pune
you have any issue in the AC simply contact the number given underneath. Our best specialists to take care of your concern. Our best specialists to take care of your concern. Our best experts to tackle your concern.
Endless individuals want to utilize these kinds of machines and machines will make numerous issues. Home machines are the best and all are utilizing home apparatuses. Panasonic Service Center Mumbai
It will get numerous issues .Our best professionals to tackle your concern. You any issue in the microwave just contacts the number given underneath.
Clothes washer is a machine that washes grimy garments. This barrel is loaded up with water, and afterward pivoted rapidly to make the water eliminate earth from the garments Panasonic Washing Machine Repair MumbaiMost the clothes washers are made so cleanser can be placed in to the machine. These can help make the garments cleaner. You have any issue in the home apparatuses.
The clothes washer is likewise called as garments washer or basically the washer. You have any issue in the home apparatuses you simply contact the number given underneath Panasonic Washing Machine Service Center Mumbai
Try not to not stress that issue simply contact number. Our best professionals to take care of your concern. You will get any fix in the clothes washer you simply contact the number given beneath.
We are offering the best types of assistance from past years. You will get any fix in the fridge you simply contact the number given beneath Panasonic Refrigerator Repair Mumbai
not to not stress that issue simply contact number. Our best professionals to tackle your concern.
An air conditioner is a system or a machine that treats air in a defined usually enclosed area via an air conditioner cycle in the machine Lloyd AC Repair Pune which warm air is removed and and replaced in cool air in constructions a complete system of heating ventilation and air conditioning is the referred to as that required to air conditioner
Washing machine is a home appliances used to wash the clothes. The term is mostly applied to machine that use water as opposed to machine to dry cleaning or ultrasonic cleaners. Panasonic Service Center Pune
You have any problem in the home appliances just contact the number in the given below. Our best technicians will solve your problems. We will get many issues in the home appliances no need to worry that problem our best expert technicians will solve your problems.
This machine is a time saver over hand washing of the clothes .it comes along dryer that means at the same time your clothes will be dried to which has made the complete work easier. Panasonic Washing Machine Repair Pune
You have any problem in the home appliances just contact the number in the given below. Our best technicians will solve your problems. We will get many issues in the home appliances no need to worry that problem our best expert technicians will solve your problems.
This machine reduces the energy required to wash clothes. These machine are available in a huge range of sizes as per your requirement. Panasonic Washing Machine Service Center Pune
Try not to not stress that issue simply contact number. Our best technicians will solve your problems.
Panasonic Service Center Mumbai
Clothes are washing in the washing machine.it is the home machines. It is utilizing the wash the garments. What's more, the garments will wash in quick and perfect. Panasonic is the best brand for the development of home mechanical assemblies. It is the home contraptions fuse a garments washer. All of these machines offer mitigation to individuals. Hence, in this snappy moving world, all are depending upon machines to complete family assignments.
Nowadays, the pieces of clothing washer are critical contraptions Panasonic Washing Machine Repair Mumbai
which offer easing to the housewives. In case you face such an issue with your washer, by then simply contact us through the improvement of the garments washer has helped with diminishing the troublesome work spent on cleaning the articles of clothing. Besides, it saves time and water use diverged from manual washing.
Our SAMSUNG Service Center Lucknow home appliance administration focus is actually the best one. Numerous people are strain about their home appliance. The appliances are weighty and huge so there is the issue to take the machine to the administration place. So here our home machine is giving the doorway step administration. Our specialists will way to deal with your resident and fix your machine.
Our Whirlpool Service Center Lucknow home appliance administration focus is actually the best one. Numerous people are strain about their home appliance. The appliances are weighty and huge so there is the issue to take the machine to the administration place. So here our home machine is giving the doorway step administration. Our specialists will way to deal with your resident and fix your machine.
Our IFB Service Center Lucknow home appliance administration focus is actually the best one. Numerous people are strain about their home appliance. The appliances are weighty and huge so there is the issue to take the machine to the administration place. So here our home machine is giving the doorway step administration. Our specialists will way to deal with your resident and fix your machine.
Our SIEMENS Service Center Lucknow home appliance administration focus is actually the best one. Numerous people are strain about their home appliance. The appliances are weighty and huge so there is the issue to take the machine to the administration place. So here our home machine is giving the doorway step administration. Our specialists will way to deal with your resident and fix your machine.
Our Panasonic Service Center Lucknow home appliance service center is really the best one. Many people are worried about their home appliance issues. The appliances are heavy and is cannot be carry so there is the problem to take the appliance to the service center. So here our home appliance is providing the door step service. Our technicians will reach to your door and repair your appliance.
Our Haier Service Center Lucknow home appliance service center is really the best one. Many people are worried about their home appliance issues. The appliances are heavy and is cannot be carry so there is the problem to take the appliance to the service center. So here our home appliance is providing the door step service. Our technicians will reach to your door and repair your appliance.
Our LG Service Center Ahmedabad home appliance service center is really the best one. Many people are worried about their home appliance issues. The appliances are heavy and is cannot be carry so there is the problem to take the appliance to the service center. So here our home appliance is providing the door step service. Our technicians will reach to your door and repair your appliance.
Our SAMSUNG Service Center Ahmedabad home appliance service center is really the best one. Many people are worried about their home appliance issues. The appliances are heavy and is cannot be carry so there is the problem to take the appliance to the service center. So here our home appliance is providing the door step service. Our technicians will reach to your door and repair your appliance.
Our Haier Service Center Lucknow home appliance service center is really the best one. Many people are worried about their home appliance issues. The appliances are heavy and is cannot be carry so there is the problem to take the appliance to the service center. So here our home appliance is providing the door step service. Our technicians will reach to your door and repair your appliance.
Our LG Service Center Ahmedabad home appliance service center is really the best one. Many people are worried about their home appliance issues. The appliances are heavy and is cannot be carry so there is the problem to take the appliance to the service center. So here our home appliance is providing the door step service. Our technicians will reach to your door and repair your appliance.
Our SAMSUNG Service Center Ahmedabad home appliance service center is really the best one. Many people are worried about their home appliance issues. The appliances are heavy and is cannot be carry so there is the problem to take the appliance to the service center. So here our home appliance is providing the door step service. Our technicians will reach to your door and repair your appliance.
If the blower gets unnecessarily dingy or dusty, or in cases it breaks. You get any issue in the home machines just contact us. Panasonic Refrigerator Repair Pune
we keep the milk at room temperature, by then it wills no longer remain new. If we store the milk in the cooler, by then it will remain new for broadened time ranges. Variety of issues can develop.
Cooler is cooling the water and don't destroy the food things and vegetables are new in the refrigerator Panasonic Refrigerator Service Center Pune
should not to keep critical things bottles indoor because it will get strong weight and may break. Cooler is a major food accumulating technique in the made countries. You will get any issue in the Refrigerator get contact the number in the given underneath.
So it makes issues and issues and for these issues and issues we are offering the best help for microwaves. Microwave is the one the kitchen home machines will warm the curry, etc. Panasonic Microwave Oven Repair Pune
You will get any issue in the Refrigerator get contact the number in the given underneath. Our best experts will handle your issue as expected.
It is one of the home appliances which we use in our daily life. Nowadays we have Godrej Service Center Mumbaimachine, refrigerator, microwave oven, AC, etc. If any of the Godrej home appliances is making issues, you can contact us through Godrej Service Center Mumbai.
Nowadays many people are using many more home appliances which we use in Godrej Washing Machine Repair Mumbaielectronic devices which we use in our daily life. It saves our time and energy required to wash clothes. When you face any issue with your washer then simply call us through Washing Machine repair Mumbai.
Washing machine is one the appliances which we use to wash our clothes Godrej Washing Machine Service Center Mumbaiwe can find washing machines in every house. In modern washers, you have option to schedule a wash for later time. When you face any issue with your washer then simply call us through Washing Machine service center Mumbai.
A refrigerator is a popular household appliance that consists of a thermally odrej Refrigerator Repair Mumbaithat inside of the fridge is cooled at a certain temperature. Refrigeration is a food storage technique in many developed countries. It is home appliances which we use in our daily life. If have any issues then call to our service center.
Many of the people are already have connection with our LG Service Center Ahmedabad community. They getting the best requirement from us. The people who are staying in far areas also getting the best service. We are available in every place. Our service center branches are opened in all around the city. You can call our administrators from anywhere at any time.
SAMSUNG Service Center Ahmedabad our technicians will reach at your resident any clear your appliance issue. Wherever you stay our technicians can approach. Just you have to give a proper guidance of address. Once you connect our administrators all the problems in your appliance is to be solved at our roof only. We are giving the multiple services under one roof. You can get each appliance issue is clear.
Your every home appliance problem is can get solved at our Whirlpool Service Center Ahmedabad home appliance service center. We are offering the minimum of 10 years experienced technicians. They having the information of each issue of appliance. They can analyze each edge of appliance and can tackle the issue. Everything is can be cleared by our specialists.
The IFB Service Center Ahmedabad home appliance service center is very much experienced help center. The technicians we provide are having well knowledge about every thick issue of appliance. The every major or minor issue that takes in your appliance is to be cleared by our experts. There is nothing is harder for our specialists.
The appliance is making trouble in working. Then you can contact our SIEMENS Service Center Ahmedabad administrators. Our service center is ready to solve your problem at any time and at anywhere. If there is worried about any big issue in your Appliance then also our service center provide experts who can clear the every major issue. So no need to worry just connect to our service center you will get Satisfied definitely.
As you contact our Godrej Service Center Ahmedabad administrators our technician will immediately starts arriving to your destiny. The technician will approach you within 4 hours after complaint. As you give the information to our administrators. Our administrators
A large number of individuals are now have association with our Godrej Service Center Ahmedabad people group. They getting the best prerequisite from us. The individuals who are remaining in far territories likewise getting the best help. We are accessible in each spot. Our administration place branches are opened in all around the city. You can call our managers from anyplace whenever.
Bosch Service Center Ahmedabad our experts will reach at your inhabitant any unmistakable your machine issue. Any place you remain our professionals can approach. Just you need to give an appropriate direction of address. When you interface our directors all the issues in your machine is to be illuminated at our rooftop as it were. We are giving the various administrations under one rooftop. You can get every apparatus issue is clear.
All Your homes apparatus issue is can get illuminated at our Panasonic Service Center Ahmedabad home machine administration focus. We are offering the base of 10 years experienced specialists. They having the data of each issue of apparatus. They can examine each edge of machine and can handle the issue. All that is can be cleared by our pros.
The Haier Service Center Ahmedabad home apparatus administration focus is a lot of experienced assistance community. The experts we give are having admirably information about each thick issue of machine. The each major or minor issue that takes in your apparatus is to be cleared by our specialists. There isn't anything is more enthusiastically for our masters.
Godrej Service Center Lucknow is a standout amongst other repair place. We are for the most part holding capable and affirmed specialists. Our professionals are a lot of prepared. Any difficult that happens in your apparatus. Our experts can understand that without any problem. There isn't anything is there that our specialists can't deal with. You can get the astounding repair for your apparatus.
The Bosch Service Center Lucknow fix focus offers admirable experts. They can proceed according to your event. The authorities can fix your apparatus impeccably. What's more, can make it run quite well. The home apparatus are introduced in many progressed and included innovation. So the expert likewise must be progressed and well information about each apparatus issue.
Here our Panasonic Service Center Lucknow people group will fix all issues at an especially sensible expense. With guaranteed administration additional extra parts substitution is likewise should be possible here. Ordinarily essentially all issues is can be cleared itself at your entryway or coming about the machines are taken to our associations. Every single client will get 90 days guarantee for save parts and 30 days guarantee for administration and fix.
The Haier Service Center Lucknow heads are offering the entryway step administration for our clients. So there is no issue to make fix of machine. It is simple for client's machine administration. The clients can get the best assistance easily of charge at their own occupant. For more data you can visit our destinations or, in all likelihood you can settle on decision to our executives.
The customer’s leeway generally significant. So for the clients need LG Service Center Ahmedabad we are giving the every minute of every day administration. Individuals can contact our executives whenever for their motivation. We are accessible at without fail. When your make association with our locale. You get all issues clear in your machine.
The SAMSUNG Service Center Ahmedabad fix focus is offering the best assistance at especially minimal effort. The clients can undoubtedly manage the cost of our administration charge. There is no more pressure is must be taken for charge. You will get more advantages by picking our administration community. Also, numerous offers are giving by our association.
The most in this mechanical age. Home machine assumes a significant function in our life. Home machine are significant in our life Blue Star Service Center Pune However, they have numerous errands to perform at a time.
Air conditioning gives air which causes us to unwind. We as a whole encounter mental strain in working for quite a long time Blue Star AC Repair Pune which causes us to endure tough situations and working in a forced air system. The gadget makes indoor air quality and makes a more beneficial environment.
The gadget that makes the encompassing cool by gathering warm air and delivering cool air. Forced air systems are being utilized prevalently and nowadays its utilization is being expanded Blue Star AC Service Center Pune AC keeps our body from overheating.
Services center is the most for everyone utilizing machines as it were. Electronic machines and each and every particular sort Carrier Service Center Pune of forced air system, clothes washers stove has differing helpfulness and strategies. Most of the people are over the powder charge that the machines
The capacity of the climate control system is to give cool air. It circles the air and channels air. The fundamental preferred position of the forced air systems is that eliminates toxins from the air which keeps us sound Carrier AC Repair Pune Climate control systems contain a refrigerant that is answerable for the cool wind stream.
The forced air system utilized in business places going from little shops and business structures and public spots Carrier AC Service Center Pune Air conditioners utilized even in the transportation hefty warmth from the sun. Forced air systems cause us to feel revived and continually.
Services center is the home machines our association was set up in we are giving our home all through the world. Accordingly Daikin Service Center Pune we are giving a high type of the home machine in the less worth will work every single. Services center In addition, history of the home device entire of the world.
Air conditioner system and it is an electronic. The use of the forced air system will be in the late spring season as it were. The climate control system used to keep the climate perfect and earth free Daikin AC Repair Pune It will resemble we are sitting in an agreeable climate.
Everybody needs a washing machine in their home. With the target that they can spare their noteworthiness and time. Washing machine is an amazingly accommodating machine. Everybody can manage the cost of a washing machine in their home. The appliance can wash such an articles of clothing flawlessly and clean. The clothes washer will work by including the garments in the washer with cleanser. The cleanser is in powder or fluid sort. In the event that there may any difficulty occurs in your machine, at that point call quickly to our Whirlpool Service Center Ahmedabad.
Our power can unquestionably deal with your any cutting edge issue that take sin your machine. People search for a pro who can make total away from issues. The IFB Service Center Ahmedabad can dismember every single hint of issue that is taken in your machine. The machine will work like another. In our organization your machine is totally secured, you can trust in our managers capriciously. Essentially keep trust on us and we make everything run of the mill in your machine.
Every one need a best master to handle their home appliance issue. Individuals reliably expects that their garments washer issue must be clear forever. So our SIEMENS Service Center Ahmedabad specialists clarify your appliance issue in guaranteed way. The method of individuals needs can be known by our managers. We deal with everything of your machines. You have simply settle on decision to our community and complete a few mandatories like name, issue, address, etc. The all out data is given to the technicians. Furthermore, our specialists will reach to your entryway. Any place you stay we are consistently prepared to clarify everything about your home apparatus.
To progress toward our pros essentially consider us and first call the Godrej Service Center Ahmedabad branch specialists to fix. By then essentially visit our site and read all subtleties. By then call and offer fighting to our customer care supervisors. They fix all issues by sending masters to the customers home on time with no postponing the objection call.
Our SAMSUNG Service Center Ahmedabad home appliance administration focus is actually the best one. Numerous people are strain about their home appliance. The appliances are weighty and huge so there is the issue to take the machine to the administration place. So here our home machine is giving the doorway step administration. Our specialists will way to deal with your resident and fix your machine.
The people is searching for the first response to their problems. Our Whirlpool Service Center Ahmedabad community is giving the first priority to our customers and their appliance problems. You can simply discuss your home appliance issue with our technician. We can easily grasp your issue. And get ready to solve the issue. So here our administrators work in this form.
The all that we need is the trust which is on us is can't be break. We won't permit to give a complaint on our organization. Since our work is great. We treat our clients as our own individuals. We take care of the issue inviting way. You can move toward us on google sites. There you can talk about your concern of climate control system with us. Or probably you can contact to our IFB Service Center Ahmedabad client care number. We answer to your call at the principal endeavor as it were.
LG Washing Machine Repair Lucknow There are many advantages with washing machines. We can wash our clothes in an easy method. So if any of your LG washing machine crates any kind of issues then you can approach our washing machine service center
In our LG Service Center in Mumbai we will provide you the best service, our technicians are well trained and developed so that they can solve the issue of the appliance within one interaction, and no need to be worry about our services we will give service for which in your appliance it doesn't cause any problem .we will provide you the best door to door services.
In our SAMSUNG Service Center in Mumbai we will provide you the quality service and quality spare parts. we take it as a great pride in each and every service call and we make the same guarantee to all the customers. We will give the warranty the work which is done by our technicians, we will give 30 days of warranty for the general services.
Microwaves are used to detect speeding cars and to send telephone and television communications. Industry uses microwaves to dry and cure plywood, Panasonic Microwave Oven Repair Mumbai
To cure rubber and resins, to raise bread and doughnuts, and to cook potato chips.
But the most common consumer use of microwave energy is in microwave ovens. Microwaves have three characteristics that allow them to be used in cooking Panasonic Microwave Oven Service Center Mumbai
They are reflected by metal; they pass through glass, paper, plastic, and similar materials; and they are absorbed by foods.
In like manner recall that over the long haul, Panasonic AC Repair Mumbai
The improvement in these machines advances to much more rapidly suit the market and beat competition. Thus, an AC from the mid 2000s' will combine out of date progress and is through and through frailer against breakdowns fundamentally in light of the fact that it has outlived now is the ideal time.
Additionally, it is silly to expect that a room is warm Panasonic AC Service Center Mumbai
Generally considering neglect to meet longings AC. These machines work preferably definitely when certain conditions are met and generally like with some other machine, you ought to do your part to regard the central focuses.
Microwave oven is the home appliances. It will heat the food and all the food items. Bosch Microwave Oven Service Center Mumbai
Microwave oven is machine. There are so many parts in the microwave oven it will get so many issues just contact the number in the given below website.
One of the most important practical applications of the principles of thermodynamics is the heat engine. Bosch Washing Machine Repair Mumbai
In a few hours at a very reasonable price cost has best professionals who can solve each and every technician will maintain best professionals in a few hours at a low cost.
“I give praise to Mr Benjamin enough for his help in securing a loan to buy our new home for our family. Benjamin was a wealth of information and he helped educate me and my family as to why a home loan was the best option for our particular situation. After conferring with Benjamin and our financial advisor everyone agreed that a home loan was the perfect solution.You can contact Mr Benjamin if you also looking for any kind of loan on Email/Whatsappemail: 247officedept@gmail.com Whatsapp: +1-989-394-3740
Schöne Zusammenfassung. Vielen Dank dafür!
LED Einbaustrahler
LED Feuchtraumleuchte
This is great information.This blog is wonderful and so informative thanks so much for the post. You can also view more about AC repair by clicking on here.
Nice post really give a valuable information of AC Repair Service in Delhi.
Nice article as well as whole site.Thanks for sharing.
samsung tv service center in vijayawada
samsung washing maching service center in vijayawada
samsung refridgerator service center in vijayawada
samsung ac service center in vijayawada
Samsung washing machine service center in secunderabad Our technicians are well experts to resolve your all problems. They are given a quick response to the customers. We are providing doorstep service to the customers. We can charge 350/- rupees. We are providing genuine spare parts to the customers. We are the best and repair your all home appliance products. Our technicians have 10 years’ experience in this field.
Samsung Washing Machine Service Center in Secunderabad We have several Whirlpool washing machine services center in Erandwane Mumbai. We have many good feedbacks from the customers. We provide genuine spare parts. We are one of the trusted service providers. We have experienced more than 10 years of technicians.
samsung authorized washing machine repair center in hyderabad We have regular customers for our Best service. You can visit our website to enjoy our service. We provide 1-month general service warranty and 3 months warranty. In all areas, we are providing our best and skilled technicians at any time, we are available 24/7 hours services.
Such a very informative post, Thanks for sharing.
Autopsy
Postmortem Mesothelioma Diagnosis
Samsung Washing Machine Service Center in Secunderabad Dependent on our pieces of clothing we can pick which garments washer we need. We are having encountered trained professionals; they know each and every piece of them, they are generally prepared to the extent that attestation will fix you so that issue will never arise again. Here you can get satisfied organizations.
samsung authorized washing machine repair center in hyderabad Samsung washing machine is one of the most top and best service centers in Hyderabad. Here we are servicing all types of washing machine like top load washing machine front load washing machine semi-automatic washing machine,
Samsung Washing Machine Service Center in Secunderabad The Samsung clothes washer is truly outstanding and furthermore the main organization in Hyderabad. Since we have numerous brands in Hyderabad But our Samsung is consistently the best brand. In our administration community, we fix a wide range of Washing machines. And our administration clients will give the guarantee for your item.
samsung washing machine repair center in secunderabad We offer washer fix in for brands like Samsung and everything at moderate costs. It is safe to say that you are attempting to discover a washer fix close to my administration focus? At that point you're inside the ideal spot and that we are giving the easiest proposal to your washer. Samsung Washing Machine Repair
Samsung Washing Machine Repair Service Center in Secunderabad We use to attempt the administration for not exactly out of guarantee items and furthermore, our experts need to take just 350/ - Yet, for your washer, if any extra parts may get any harm it takes an extra sum. So rush up no had the opportunity to stress simply settle on a decision and acquire the least difficult assistance at the doorstep.
We Eservicehub.in offers the best Sony appliances repairs services in Hyderabad. We repair Sony LED TV, Sony LCD TV, Sony Smart TV Sony android TV ETC. Same-day Services Genuine Spare Parts We are known for the best sonyservicecenterinHyderabad. E-service hub provides our experienced and trained professional team provides you with expert technical assistance for any problems and we provide these at an affordable price. Our expertise and goodwill have made us reliable appliances we deal with us
Nice post. I have been searching for articles about valves and actuators and your post really helps. Thanks a lot for posting this.
AC Services in Delhi
Nice post. I have been searching for articles about valves and actuators and your post really helps. Thanks a lot for posting this.
AC Services in Delhi
O General AC Repair Pune We use various Appliances in our daily life in that air conditioner is one of the appliances there are a lot of use with air conditioner the main purpose of AC is to remove moisture in their living are a spread cool us are us.in summer the usage of the air conditioners will be increased because the service center. Home Appliances Service Center in Pune
You make so many great points here that I read your article a couple of times. Your views are in accordance with my own for the most part. This is great content for your readers.
AC Repair & Service in Dwarka
AC Gas Filling Service in Dwarka
AC Installation Service in Dwarka
Window AC Repair & Service in Dwarka
Split AC Repair & Service in Dwarka
AC on Rent in Dwarka
Ac Service In Uttam Nagar
Samsung Refrigerator Service center in Hyderabad Samsung Refrigerator Service center is one of the best dealer’s service centers in Hyderabad. We provide service almost all over the city of Hyderabad. This service center is fully private. Our service center is working based on chargeable.
Samsung Refrigerator Service Center in Hyderabad Refrigerator is best home appliance to store and keep our food fresh. In such a case your refrigerator has to struggle any technical issues just call our service center and register your fridge issues. We provide refrigerator Service at your door-step. This one most popular service centers in Hyderabad.
Samsung direct Refrigerator Service center in Hyderabad we have the best technician’s experience of more than 10 years. We always take very fewer charges compared to the other service centers. This is one of the best dealers service center in Hyderabad.
Samsung Washing Machine Service center in Hyderabad Samsung is one of the finest brands in India for providing qualitative products to the customers. These refrigerators will play an important role in every one’s home. We always provide 100% satisfaction. Our service center Online 24/7.
Samsung Refrigerator Repair in Hyderabad This is fully private service center in Hyderabad. We provide service on chargeable basis. We have to give one-month of service warranty and Three-months of spare warranty.
Samsung Refrigerator Service center in Hyderabad Always we provide genuine spare parts only. Our service center main Motto is customer satisfaction. This is one most reliable service centers in Hyderabad.
IFB Washing machine Service Center in Neral We are one of the most trusted services providers to the customers. We are always responsible for our work. We are having 100% of visiting specialist charge350/one month guarantee and we are given just organization spare parts we have 3 months guarantee entryway step administration focus out of guarantee serviceIFB Refrigerator Service Center Chunabhatti We are here to offer the best support for your characteristic items. We are giving multi month general assistance and 3 months guarantee to the clients. We service for out of guarantee the transporter fix focus is the best specialist issues having improver information on machine we are giving best proposals to you our service arte entry way step our architects. This is one of the best home appliance repair center in Mumbai IFB Refrigerator Service Center Tilak Nagar We are giving a multi month general assistance guarantee and 3 months guarantee service to the clients. Our professionals will go to your place to give the service and will charge just 350/ - rupees for visiting charges. We are ensuring for give the best adjusting to clients. IFB Refrigerator Service Center Chembur IFB Refrigerator Service center main motto is customer satisfaction. A furthermore we take less charge Rs/ - 350rupees. We are giving the best support of your items. On the off chance that you experience difficulty with your Refrigerator simply call us we will send our professionals to your home. We are free every minute of every day. IFB Refrigerator Service Center Govandi We are giving services and fixes from 12 years in Mumbai. And furthermore we take less charge Rs/ - 350 for specialists visiting charge. A wide range of fridges like: Single-door, Double-door, and Side-by-side Refrigerator and so on we are giving services and fixes from 12 years in Mumbai.
IFB Refrigerator Service Center Mankhurd These refrigerators are coming with different types of cooling features so users can set the different cooling levels for different food items. They have experience of more than 10 years
IFB Washing machine Service Center Dahisar We do our best exceptional I quality services, repairs Even Sundays also our technicians provide service for your products. We are quite possibly the most confided in specialist organizations in all areas. You can book our service from web. This is one of the best service centers in Mumbai. IFB service center, IFB washing service center, IFB care phone number, IFB care center, IFB appliances service center, IFB company service center, IFB service center, IFB service center near me
IFB Washing Machine Service Center in Dombivli We have a 1 month general service warranty and 3 months warranty services for the customers. We will charge 350/for checking only and genuine spare parts charges. Our technicians are available 24/7 hours. We are having numerous normal clients for our administration. IFB service center, IFB company service center, IFB repair center, IFB appliances service center, IFB care phone number, IFB home appliances service center, IFB appliances service center IFB Washing machine Service Center in Neral We are one of the most trusted services providers to the customers. We are always responsible for our work. We are having 100% of visiting specialist charge350/one month guarantee and we are given just organization spare parts we have 3 months guarantee entryway step administration focus out of guarantee serviceIFB Refrigerator Service Center Chunabhatti We are here to offer the best support for your characteristic items. We are giving multi month general assistance and 3 months guarantee to the clients. We service for out of guarantee the transporter fix focus is the best specialist issues having improver information on machine we are giving best proposals to you our service arte entry way step our architects. This is one of the best home appliance repair center in Mumbai IFB Refrigerator Service Center Tilak Nagar We are giving a multi month general assistance guarantee and 3 months guarantee service to the clients. Our professionals will go to your place to give the service and will charge just 350/ - rupees for visiting charges. We are ensuring for give the best adjusting to clients. IFB service center contact number, IFB call center, IFB call Centre number, IFB micro oven service center, IFB ke service center, IFB microwave oven service center near me IFB Refrigerator Service Center Chembur IFB Refrigerator Service center main motto is customer satisfaction. A furthermore we take less charge Rs/ - 350rupees. We are giving the best support of your items. On the off chance that you experience difficulty with your Refrigerator simply call us we will send our professionals to your home. We are free every minute of every day. IFB Refrigerator Service Center Govandi We are giving services and fixes from 12 years in Mumbai. And furthermore we take less charge Rs/ - 350 for specialists visiting charge. A wide range of fridges like: Single-door, Double-door, and Side-by-side Refrigerator and so on we are giving services and fixes from 12 years in Mumbai.
Whirlpool Washing machine Service Center in Malad The washing machine is the most useful home appliances in every home. Washing machines are washing clothes. Washing machine user is they decrease their valuable time. The washing machine Godrej is one trusted organization in Mumbai. A washing machine wash the clothes without any use of manpower. A washing machine is a basic product in our home it removes our pressures. Whirlpool Washing machine Service Center in Malad call us:8688821743, 8688821393. And removes physical tension also. Whirlpool washing machine service centers in Mumbai the washing machine is the release you from the rubbing of the washing machine on your clothes. The washing machine is a faithful home appliance. A washing machine is the best product and low budget in the market.
WHIRLPOOL call center WHIRLPOOL customer center WHIRLPOOL care phone number WHIRLPOOL service center contact number WHIRLPOOL repair center WHIRLPOOL appliances service center WHIRLPOOL care phone number WHIRLPOOL call Centre number
Whirlpool Washing Machine Service Center in Mulund Our technicians are well experts and well trained experienced technicians they all know about repair of the washing machine. Just call us our service center. In washing machines, types are top-loading washing machine, front-loading washing machine, and semi-automatic washing machine and fully- automatic washing machine. Whirlpool Washing Machine Service Center in Mulund CALLS US: 8688821386, 8688821387. Whirlpool washing machine service center in Mumbai A top-loading machine is one type of washing machine. It fills up with clothes from the top of the washing machine. It contains huge clothes to wash at once only. It required minimum liters of water. And it consumes power. The washing machine contains short space or any corner of the room.
WHIRLPOOL appliances service center WHIRLPOOL contact center WHIRLPOOL repair customer care WHIRLPOOL call center WHIRLPOOL customer center WHIRLPOOL care phone number WHIRLPOOL service center contact number WHIRLPOOL appliances service center
Whirlpool Refrigerator Service Center in MankhurdWe are providing the best service center in Mumbai. Whirlpool refrigerator customer care service providers an extraordinary service background with customers’ gratification. Our customer care service works in a quick pick action to listen to consumer's problems on their products. Our technician is best to service your products. Whirlpool Refrigerator Service Center in Mankhurd call us: 8688821513, 8688821385. We provide 1 month general service and 3 months warranty. Whirlpool refrigerator is the finest brand and it has amazing features and benefits. Can Offer a Complete Refrigerator Service in Mumbai even if your Original Manufacturer Warranty has expired we proudly say that we can fix your Fridge quickly and at a price that won’t reduce your Bank Balance much.
WHIRLPOOL call center WHIRLPOOL customer center WHIRLPOOL care phone number WHIRLPOOL service center contact number WHIRLPOOL appliances service center WHIRLPOOL contact center WHIRLPOOL repair customer care WHIRLPOOL call center WHIRLPOOL customer center WHIRLPOOL care phone number
Y320AN01S4LV0.3 circuit dayagram
Whirlpool Microwave Oven Service Center in Grant RoadThis is one of the leading whirlpool microwave oven service centers in Mumbai. We are the provider to the customers. And we are having the best technicians in our center. Whirlpool Microwave Oven Service Center in Grant Road CALL US: 8688821387, 8688821386. If you have any problem in your microwave oven. We are the best services for your home appearance products. Technicians used to manage our profession can repair all types of microwave oven solo, grill, convention etc. we are giving best offers to you. Our services are at the doorstep of our engineers so we are having 100% of visiting technicians charge 350/-rupees. We are offering best support place service center in Mumbai. Microwave oven is the electrical item which can prepare the delicious food very rapidly. The microwave oven will give
WHIRLPOOL repair center WHIRLPOOL appliances service center WHIRLPOOL care phone number WHIRLPOOL call Centre number WHIRLPOOL repair center WHIRLPOOL appliances service center WHIRLPOOL care phone number WHIRLPOOL call Centre number
Whirlpool Microwave Oven Service Center in Mumbai CentralIf you are troubling Whirlpool microwave oven products. We are providing the best service center in Kharadi Mumbai. We are the best service center in all areas mumbai. We are repairing all types of microwave ovens. We are giving the best offers to you. Whirlpool Microwave Oven Service Center in Mumbai Central CALL US: 8688821745, 8688821743. We are providing door step service. We are well talented to resolve your all problems and we are the best to you servicing your home appliance products. Microwave ovens are the blockage of filter of cooling we can solve the easily we service for out of warranty the repair center is the best technician issues having improver knowledge of appliance.
WHIRLPOOL call center WHIRLPOOL customer center WHIRLPOOL care phone number WHIRLPOOL service center contact number WHIRLPOOL appliances service center WHIRLPOOL contact center WHIRLPOOL repair customer care
Whirlpool Microwave Oven Service Center in MahalaxmiOur technicians are trained by the very experts and professionals which they can solve by the any type of issues in few hours or in day itself. If you face any type of issues in it then doesn’t worry just make a call to the Whirlpool Microwave oven Repair in Mumbai then we will send technicians to your home they will solve the issues in it. Whirlpool Microwave Oven Service Center in Mahalaxmi CALL US: 8688821385, 8688821745. then tell about your details and alternative phone numbers and land mark of the area and warranty details if your product is out of warranty then we will take the product to solve the issues in and we give 90days warranty on service and 30days warranty on spare parts.
WHIRLPOOL call center WHIRLPOOL customer center WHIRLPOOL care phone number WHIRLPOOL service center contact number WHIRLPOOL appliances service center WHIRLPOOL contact center WHIRLPOOL repair customer care
Thanks for sharing such an amazing article, really informative
Visit here : LCD Display Screen
Hitachi Ac Service Center Number Split Ac Repair in Delhi Fridge,Window Ac,split ac Gas Filling service in Delhi All Electronic Machine Repair Samsung, Lg Ac Installation near me LG Led Tv Customer Care Number Delhi
Vielen Dank für die vielen nützlichen Tipps!
LED Panel
LED Hallenstrahler
Window Replacement Washington Dc
Our professionals at Metropolitan Glass Repair will help you with your replacement and repair windows at an affordable cost. For more detail contact us ...
thanks for sharing such a nice information.. we are MAVENS CARE promising and providing our customers the top-notch doorstep service
AC repair service in Delhi NCR
Washing Machine Technician
best refrigerator repair technician
god info
ac services in laxmi nagar delhi
https://www.keyvendors.com/service/faridabad/ac-service-and-repair
ac service in delhi if your want this type of service please log in https://www.keyvendors.com/service/faridabad/ac-service-and-repair
I read this article, I get a lot of information from this blog...
Mobile Repairing Course
Laptop Repairing Course
LED/LCD Repairing Course
Printer Repairing Course
Iphone Repairing Course
Computer Hardware Course
Contact to our ac service Ac is a good conductor to us .ac make our home cool .ac is a best to cool our house. Ac helpful in summer seasons. Ac make our house cool. Ac is a best to us to breathe fresh cool air. Now a day all are using ac because we fit ac on the wall and it save our place. In an ace has so many companies like LG, WHIRLPOOL, GODRIGE, SAMSUNG etc.…… ac has fan to fit outside to give us fresh air from to the ac give us cool air .ac has one remote to control the cooling of ac .some ac has automatic to open and to close .in your home you have any issues in your ac you can center in HyderabadDaikin Service Center Pune
If any issues are there means you can inform to our services center any .in you are home washing machine, ac, oven etc... You can inform to our service center in Pune .our technicians come to you are location. Our technicians are best repairs .for you all one good news that now onwards we are in online services .any time you can call to us if any issues are there means .our technicians take only product money . Any time any issues there means our technicians come to your location. Any issue there means you can inform to our services center to repair you are productsDaikin Ac Service Center Pune
Ac is a best to breath fresh air. Ac is a good conductor. In so many days its works... Ac has so many models in companies. We need fresh air and our room becomes cool from ac only. We see some members use coolers but coolers not give that’s much of cool neThing means only ac. If in you are home you are ac not working means don’t Warri, because here we are there to solve you are problem .just contact or inform to our service center .our technicians come to you are location .our technicians solve your ac problem. If you are ac not working or not giving cooling, don’t waste you are time just call to our services center to repair you are ac Perfectly. Any time can c act or inform to usOgeneral Ac Service Center Pune
Daikin AC Service Center PuneAc is the best product for us fresh cooling. There are so many brands there. Ac keeps our room cool and comfortable. Ac has a fan that we fit outside of the wall. Ac fans help us to take outside air and supply it to the ac to give us fresh cooling. Ac has a remote that we control the temperature of degrees Celsius. Ac is a good product that makes our room cool. Ac is best to give us fresh cooling and fresh breath oxygen too. We are seeing that nowadays ac are very useful to us in many ways. Like cars, taxis, travel buses in so many places we are seeing ac. When we are traveling, sleeping under the AC means we feel comfortable. We like to sleep under ac. There are so many brands. All are like to sleep under the ac
Ogeneral Service Center PuneWelcome to our service center we are providing to you all online service. Any time you can inform our service center. In your home products any issues there means you immediately inform your near service center. Next day we will send our technicians to your location to solve your issues. Our technicians are best to clear your issues. In our service center all types of home products are repaired here like washing machine, refrigerator , Owen, TV, etc. home products are repaired here .our technicians are best to repair your home products . Our technicians only take product money only. Our service center is ready to take your complaints. Any time you can inform our service center. Our service center is giving you a 1 month warranty. Any time you can inform our service center
Ogeneral AC Service Center PuneAc is the best product to give us fresh cooling. In olden days there is no ac. On time people went to the forest to sleep under the tree shade. And older people use hand fans to take air. Day by day the technology is developing. So we are using ac to get fresh air. Ac gives us fresh oxygen and fresh oxygen to us. Ac is most useful in the summer season. Because in the summer season there is no AC, which means we can't live in our room because the sun is the hottest. And in that time there is ac there means we are comfortable we can sleep under the ac and we can't think that now summer is running, so ac is best and ac give best breath and oxygen to us. So everyone likes to sleep under the ac.
Hitachi Service Center PuneIn your home products there are any issues are there means don't Warri because we are ready to solve your problem .You immediately go to your nearby service center to give your complaints . In our service center we are providing you all online service. Our service center is giving you a one month warranty. In your home washing machine, ac, or refrigerator or any home products is not working means you can inform your near service center .Next day we will send our technicians to your location and they will call you. Our service center is best to solve your problem. Any time you can inform our service center also. We are ready to take your complaint. In our service all types of home products are repaired like washing machine, any etc. Home products
Hitachi AC Service Center PuneAc is the best conductor. Ac is the best conductor. There are so many varieties. Every month we call technicians to clean the ac wings. Ac is very useful to us. Ac keeps us cool. Ac help us to give us fresh cooling. Ac gives us fresh breathing and fresh oxygen to us. Ac keeps us comfortable. When we sleep under the AC it gives us fresh cooling. Ac makes us sleep under them and it keeps us comfortable. Ac is a good product to give us cooling .ac is most important to us in the summer season because we can't live without ac .At that time ac is most useful to us. Ac has a fan that takes outside air and supplies it to the ac to give us fresh cooling. There are so many brands and companies there. Like whirlpool, LG, Samsung etc. Brands are there. We all like to sleep under the ac. So ac is best to give us the best cooling
Voltas Service Center Punein our service center we are providing you all online service. In our service center we are ready to take your complaints and solve your home products issues. in your home products any issues are there means don't Warri because our service center is there to solve your problem immediately you go to near your service center to give your complaints and next day our technicians are come to your location and they see your products and they tell you what is problem is there in your home products. Many of our technicians are best to repair your products and solve your home products problem. Any time we are online only you can tell your issues to our service center to clear your problem. Our service center is best to clear your problem. Our technicians are the best to repair your products .
Voltas AC Service Center PuneAc is best to give us the best cooling. In AC there are many brands and varieties. We all like to sleep under the ac. ac make to give us fresh cooling and best breath oxygen. We all are like ac. ac has a fan that we fit outside to take outside air and supply to ac to give us best cooling in ac has brands are there .ac has remote to control the cooling of temperature and degrees Celsius . . We all are seeing that ac is useful in many places like cars, taxis, travel buses etc. and other we are seeing. When we travel we sleep under the ac means it's comfortable to us to travel in bus or car we feel comfortable. All are like to sleep under the ac. Ac make us to give us fresh cooling and best breath and oxygen to us
Ac is the best to give us cooling.in ac there are so many brands are there. ac, help us to give cooling and comfortable to us. Ac has a fan that we fit outside of the window.ac fan helps us to ac to take fresh cooling and resend to ac to give us fresh cooling to us. ac has remote that we handle the temperature and degree celsius. in the olden days, there is no ac to take cool air so at that time they will use a hand fan or they went to the forest to take fresh oxygen and they sleep under the tree shade .day by day the technology is increasing .so we are seeing this many types of products to take the best cooling to us. so ac is used in many places like cars, taxis, travel buses, and so many places. We all are like to sleep under the ac and take fresh air. Daikin AC Service Center Pune
Welcome to our service center. We are all providing you all online service. in your home products, any problems are their means don’t worry because our service center is there. Go to your near service center to give your complaints. In our service, all types of products are repair here. Any time you can inform to our service center. When you give your complaints next day our technacians come to your location and they see your products and solve your issues. In our service center, we are ready to take your complaints and solve your problems. Any time you can inform to our service center. In our service center, we are giving you all 1 months spare warranty for you. Our service center is best to repair your products.Ogeneral Service Center Pune
Ac is a good conductor. ac, give us fresh cooling to us. in ac, there are so many brands and companies. Ac give us fresh breath and best cooling to us. We all like to sleep under
the ac . to take fresh cooling. Ac is very important to us. In the summer season, we ac to take cooling. In ac there are so many brands are there. Like a whirlpool, Samsung, etc brands are there. We are seeing ac in so many places like travel buses, cars, etc in so many places are there. In ac has a fan that we fit outside of the window to take outside air and supply to ac to send us fresh cooling to us. We all-seeing ac in so many places like travel buses, cars, etc. in this places we are seeing ac. When we traveling in cars or any vehicles in cars we on ac means we feel comfortable to travel .so all are like to sleep under the ac.Ogeneral AC Service Center Pune
Panasonic refrigerator service center Bangalore. We will service all days we are available to the customers .We are providing door step service to the customers, as well as we are giving 24\7 customer support also. Our technicians are well trained and certificated persons, Panasonic refrigerator service our charge reasonable charges another spare parts warranty 3 months our technicians talking way is friendly, and we are giving genuine spare parts to the customers. We will solve all types of Panasonic refrigerator like water leaking on the floor, over friezing, ice buildup, etc. We will service single door refrigerator, dual door refrigerator, and mini door also. Our technicians available all locations don’t worry your issue they came and check and solve your problem.
Panasonic Refrigerator Service Center Bangalore
Clothes washer is the best apparatuses on the off chance that you get any issues on the clothes washer reach us. In the event that you have any issues on the clothes washer reach us we have best specialists to address any kind of issues on the clothes washer our professionals will fix in brief period as the days goes on the innovation is expanded so they have concocted the clothes washer. So presently days we can wash the garments without any problem. Clothes washer is the best home apparatuses to individuals in the event that you get clothes washer you will get more opportunity to spend to another work. In the event that you have any issues on the clothes washer get in touch with us. The top burden clothes washers are not difficult to utilize. These machines have an entryway on the top where you load your garments into the drum. We have distinctive sort of clothes washer if u have any issues on the clothes washer Haier Washing machine Repair Service center Pune no compelling reason to stress we have the best professionals to settle your issues.
On the off chance that you notice any kind of issues on the clothes washer contact our site. We have best specialists to tackle the issues of the clothes washer yet they should have to contact the master. So he can be notable about the issue of your clothes washer and can be fixed appropriately. The clothes washer will make our one of the family work simple. In past ladies' were endure to wash the garments by hand. Since they don't have some other. In those days there is no clothes washer on the grounds that around then there was no much innovation. We offering the best types of assistance to the client so on the off chance that you notice any sort of issues on the clothes washer no compelling reason to stress simply reach us by our site Marq Washing machine Repair Service center Pune in the event that you have any issues on the clothes washer reach us. We have best professionals to tackle the issues on the clothes washer.
In clothes washer there have numerous issues and may not work as expected no compelling reason to stress we have best professionals to settle the issues on the clothes washer. Clothes washers are those best home apparatuses which will make the wash the garments in simple. In this technique we no compelling reason to exertion the actual way. Clothes washer just accomplish they work consequently we no compelling reason to remain there we wash the garments by hand to need no energy to wash. Assuming we get any issue Voltas Washing machine Repair Service center Pune additionally, the above help place is prepared to give you the best administrations at your doorstep as it were. You can get our administrations at your doorstep just inside couple of hours from the time you have login. In our service center we offer the best types of assistance to the client. We have best professionals to tackle the issues on the clothes washer so no compelling reason to stress simply get in touch with us.
Your post is so informative and amazing. Thanks for this kind of post.
Mobile Repairing Course!
Laptop Repairing Course!
Computer Hardware Course!
Tablet repairing course!
OCA display repairing course!
iphone repairing course!
CCTV Camera installation Course!
Printer repairing course!
basic networking course!
If you are facing any problem with your microwave oven then just call our service center Samsung microwave oven service center PuneIf you call service center our executives will login the complaint. In our service center we have the best technicians to solve the issue on the microwave oven. We provide the best technicians to doorstep. Our technicians are most talented and knowledge. Our technicians can solve any type of issue in your microwave oven.
Samsung microwave oven repair Punein our service center we are providing the services for all types of microwave ovens like solo microwave ovens, grill microwave ovens and convection microwave ovens. We are providing services for all brands. We are providing the best doorstep service for our customers. We are providing 24/7 hour services for our customers.
Washing machine is a main and common home appliances in house. Nowadays everyone are using the washing machine. It is save our time and energy for washing clothes. If get any issue with your washing machine then just call our service center through the website Samsung washing machine repair Punewe are providing the home services in all locations.
Whirlpool Refrigerator Repair Service Center Borivalli in Mumbai Maharashtra The refrigerator is the best home appliances which is more use full in our daily life. Refrigerator is an electronic device. Whirlpool Refrigerator Repair Service Center Borivalli in Mumbai If the refrigerator is not working properly like everything in the fridge is cooling off, frost in the freezer, broken ice maker, leakage of water from the refrigerator, the refrigerator is continually running and some other type of problems will be solved here. We provide door step service to the customers. Our technicians can solve any difficulties with the refrigerator. Need high quality service call us 8688821513 or 8688821745.
A refrigerator is one of the best home appliances. It is very useful for protecting our food. The refrigerator is a very important gadget in our kitchen. If you are facing any problem with your refrigerator then just contact usLG Refrigerator Repair Near Me in PuneWe are providing service for all home appliances like Washing-machines, microwave ovens, refrigerators, air conditioners, our technicians will take 35/0- for visiting. We are providing home service. We are providing the best services for our customers. We are giving a discount on every repair and service. On each and every spare part we are providing 90days of warranty. We provide services at affordable prices with discounts with customer satisfaction. After approaching our service center our technicians will reach our residential address within 4 hours.
LG Microwave Oven Service Center Near Me in Pune Our expert technicians will be in front of your doorstep as soon as possible. Our repair offers a guarantee and satisfactory repair services to every customer. They offer you 3monts of warranty on spare parts and 1 month warranty on general services. Our management will try to give the right choice to the customers. We provide services at affordable prices with discounts with customer satisfaction. If you want to book our service then you can visit our website by clicking here. Our technicians will reach you within 2-3 hours if you book your service. We are providing 24/7 services to the customer.
A microwave oven is one of the best gadgets for cooking. A microwave oven is the most essential kitchen appliance in today's generation. We can cook any type of food item in a microwave oven. Microwave oven is one of the best gadgets in our kitchen. If you get any problem with your microwave oven then just call our service center through the websiteLG Microwave Oven Repair Near Me in PuneWe are providing the best doorstep services for our customers. We are providing services in all locations. We are providing services for all home appliance products. We are trying to give high-quality services to the customers at low cost. Our technicians can charge 350/- for visiting. We are providing service and repair for all brands.
A microwave oven is a very useful home appliance in everyone's busy life. A microwave oven is a time-saving gadget. A microwave is an electronic device. We can cook different dishes in a microwave oven. If you are facing any problem with your washing machine then just call our service center through the websiteSamsung Microwave Oven Service Center PuneWe are providing service and repair for all types of microwave ovens like solo microwave ovens, grill microwave ovens and convection microwave ovens. We are providing services for all brands. We are providing doorstep services. We are providing high efficiency with amazing technology. Our technicians have 10years of experience. Our technicians can solve any type of issue in your microwave oven.
If you are facing any problem with your washing machine then just contact us through the websiteSamsung Washing Machine Repair PuneWe are providing the best doorstep service for the past many years. We are providing service and repair for all types of washing machines like top load washing machines, front load washing machines, semi-automatic washing machines and fully automatic washing machines. We are providing services for only out of warranty products. We provide services at an affordable price with discounts with customer satisfaction. Our technicians will arrive at the customer location on time. Our technicians will solve any kind of issue and repair your appliance. We are providing service in all locations. We are providing multiple services under one roof.
The refrigerator is one of the best home appliances. In every single home, we are able to see the refrigerator. Because there are many advantages to the refrigerator. The refrigerator can preserve our food for a long time. The refrigerator is also called a fridge. Nowadays a refrigerator has become a common appliance in every single house. It is the most useful gadget in the kitchen. If you get any issues with your refrigerator then just contact us Whirlpool Refrigerator Repair PuneWe are providing service and repair for all types of refrigerators like single door refrigerators, double door refrigerators, and side by side door refrigerators. We are providing service and repair for all brands. Our technician will charge 350/- for visiting. We are providing doorstep service.
Zoom Visual is Singapore & premier LED display advertising company providing Flexible display screen, LED Video wall, programmable led display board and digital directory display.LCD Display Screen
The microwave oven makes our life easy. It helps to complete the cooking process within a few minutes. The main benefit of the oven is that it saves time. If you are facing any problem with your microwave oven then just call our service center through the websiteSamsung Microwave Oven Service Center PuneWe are providing home service. We are providing service and repair for all types of refrigerators like solo microwave oven, grill microwave oven and convection microwave oven. We are providing service for all brands. We hold very talented knowledge and insured technicians to give commendable service. We are providing 24/7 hour services. We are trying to give high-quality service to the customers at low cost. We are also providing service and repair for all home appliance products.
If you face any issue with your washing machine then just contact our repair center Samsung Washing Machine Repair PuneOur service specialists are highly skilled and knowledgeable. Our technicians can solve any type of issue if it is major or minor. We are providing service and repair for all types of washing machines like top load washing machines, front load washing machines, semi-automatic washing machines and fully automatic washing machines. We are providing the best doorstep service. We take offline and online complaints. Our technicians are the best-experienced technicians. Our technicians have 10years of experience. Our service center will give the best service for our customers. All our service technicians are well trained and experienced in repairing all home appliances.
A refrigerator is an appliance that is mainly used in all homes. The refrigerator is used to store the food items for a long period of time. A refrigerator is a common appliance that we use in our daily life. Nowadays the refrigerator has become an essential appliance and also till now many people are using the refrigerator. If you get any issues with your refrigerator then just contact us throughWhirlpool Refrigerator Repair PuneWe are providing doorstep services to all the customers of our service center. Our technicians will also give you the warranty on the spare part replacement of 90days and on general service 30days of warranty offers. We are providing service and repair for only out of warranty products. Our technician will charge 350/- for visiting. Our repair center is one of the best in Pune.
Amazing content posting here!
Spy camera a standard brand offer one of the best hidden devices. Spy Audio Devices Price Noida
Glass Repair Washington Dc
Find the Metropolitanglassrepair.com - Emergency glass repair is fast, easy and affordable with Glass Doctor. We provide emergency repair services 24 hours a ...
Refrigerator service in dubai
https://www.hometech.ae/service/refrigerator-service/
UAEs Authorized Major brand Refrigerator Service in Dubai, On-Demand experienced professionals for refrigerator service in Dubai.
1634291150914-9
Thanks for sharing such wonderful stuff. Keep sharing and keep up the good work.
Best Job Portal
That supposed to be the question of thousands.Here you have explained it beautifully. There is always a way to sort this out.Thanks for taking time out to publish this blog for everyone's benefit.
Diwali Wishes in Hindi
Diwali Wishes in Hindi Font
Glass repair DC
Find the Metropolitanglassrepair.com - Emergency glass repair is fast, easy and affordable with Glass Doctor. We provide emergency repair services 24 hours a ...
Great Article, For installation of panel LED visit my website: panel led
I am very impressed with your post because this post is very beneficial for me and provides new knowledge to me.
For information on home appliances repair
Visit
TV installation in gurgaon
AC Repair in gurgaon
Mignato services gurgaon
Refrigerator repair in gurgaon
I recently came across your blog and have been reading along. I thought I would leave my first comment. I don't know what to say except that I have enjoyed reading. Nice blog. I will keep visiting this blog very often.
Mobile Repairing Course In Delhi
Mobile Repairing Course In Laxmi Nagar Delhi
Voltas AC Repair Service Center in Bangalore, our service center located in Bangalore we are providing service to all Ares in Bangalore. We are available all weekends and have good customer support also ac is one of the appliances it’s used mostly in the summer season only we have typed in Voltas ac like window ac, portable air conditioner. Ducted air conditioner, multi-head spilled. We will repair and service all types ac s in our service center. Don’t worry we are here to solve and any kind of issues your ac we have more professionals experts in this field just registered our service center our executive will ask full details like name address, location, after that you can get 6 digit job sheet number. After that, you can get a call from our technicians and they will come to your doorstep service. Charges are very reasonable price service warranty 1 month and spare parts warranty 3 months
Voltas AC Repair Service Center in Bangalore
Are you getting any disturbance with your appliance? Voltas Service Center in Bangalore is well known as all kind of repairs about all type AC, s. and all home appliances also. We used genuine and original spare parts only. And we guarantee that our service will be provide professionally and on time. Our service center offer completely low cost prices for our service. Our service center have experienced technicians, they have years of experience in this field, they are best to rectify the issue of your AC. Our technicians are provide best service at your door step. Our visiting charges are very reasonable.
Voltas Service Center in Bangalore
Voltas AC Repair Service Center in Bangalore is provide most effective and efficient service and repairs to all kind of home appliances. We have well-trained and certified technicians, they have good knowledge about all new model of AC, s. we take very fair charges for visiting, and we use best quality and company spare parts. Our technician will rectify the issue at first service only. Our service center is offers 3-months warranty for spare parts, and1-month warranty on service. Our service center is spreads all over Bangalore. Our technicians are always ready to do work any location in Bangalore surrounding areas. The defected parts are not return to customers.
Voltas AC Repair Service Center in Bangalore
Our service center is used original and company spare parts to your appliances. You are facing any issue with your AC, Daikin AC Repair Pune is here to avoid the all problems of your product. When you are call to our service center you must gave full details of your name, address etc. because technician will be easy to reach your home. Our service center charges reasonable prices for visiting. Our technicians solve all major problems of your AC like, AC running but not cooling the room, condenser coil freezing, etc. Our service center have good customer support. We provide out-off warranty appliance service only.
Daikin AC Repair Pune
Hitachi AC Repair Pune helps you get trusted professionals for all home appliances for all leading brands. We provide reliable service to the customers at low-cost prices. Our service center is provide door-to-door service to the customers. After many uses the AC will be damaged or not working properly, in that time you need a professional to repair it. Our service center has best technicians, they well-educated and company trained. We are using original spare parts. And we offer product warranty for 3-months and 1-month warranty on general service. Our service center is one-step service center no, further issues in future.
Hitachi AC Repair Pune
Our service center offers completely low cost prices for our service. We are providing service for all household appliances for all leading brands. Our technicians can solve AC not blowing cool air, refrigerant leak, electricity control failure, etc. no need to bring your appliance to our service center, and we provide doorstep service. Voltas AC Repair Service Center in Bangalore is a one-step service center, no repeats again and again. We can charge very low-cost prices compared to other service centers. Our technicians can do repair and services for all new and different models AC, s. We are available all weekdays.
Voltas AC Repair Service Center in Bangalore
Thanks for sharing this information it will help us very much in future
for more information click on website now
Hi,
I have been searching for such an informative publication for many days, and it seems that my search here has just ended. Good job. Continue publishing.
Thank you
Hydroponics Fruits & Vegetables In Delhi NCR
www.payb.io
This blog very interested with lots of useful information and check this best ac repair in India at very affordable prices
Ac repair in Delhi
Ac repair in Kolkata
Voltas Service Center in Bangalore is one of the best service center is located in Bangalore. In this advanced technology, we have to use some electrical gadgets, in that home appliances are play a key role. We provide for services like, cleaning of AC filter coils, gas recharging, all general service we will do at reasonable prices, at doorstep only. You need any repair please book you complaint on our service center numbers or login to our web site is given link below. Our service center’s customer support team respond immediately. We will send our technician at your door step only.
Voltas Service Center in Bangalore
Thanks for sharing this blog
Chennai Montessori Teacher Training Institute
Watch and Download world's famous drama series Kurulus Osman in English on link below
👇
Kurulus Osman in English
📢Get high quality backlinks for your
Website with BacklinksIndexer
BacklinksIndexer
Crypto trading online course
Join on link below
Crypto quantum leap
📒 Read Home doctor book online
Then you will be a doctor for your family
Home Doctor Book
Join online YouTube course
And be a professional YouTuber
Tube Mastery and Monetization by matt
Thank you for sharing very useful information and keep post more blogs
Ac services in Delhi
Ac services in Jaipur
Voltas AC Repair Service Center in Bangalore will solve all problems regarding your AC. you no need to bring your AC at our service center, our technician will be there at your door step. We send our technician with in hours. Our service center is the single step service center, no repeats again in future. Our just call-up on our service center, and give your details, like name, address, mobile number. It is very easy to our technician to reach the customer’s house. We have good professionals to repairs all issues of your AC, s. And we provide service for out-off warranty products only. Our service center is charge very low prices compared to other service centers.
Voltas AC Repair Service Center in Bangalore
This is really interesting, You’re a very skilled blogger.
Mobile Repairing Course delhi
Glass repair DC
When the glass has been broken and you need a reliable Emergency glass repair in Washington Dc. We can help with Single glass repair & replacement. Call us for emergency glass repair!
Links that will make you rich without knowing.
AC Repairing Course
Links that will make you rich without knowing.
PCB Repairhing Course
Our service center is one of the trusted company in Bangalore. . We guaranty that our service will be provide best and professionally on-time. You have any issues in your products, please Contact us and get the best door services. Lloyd AC Service Center in Bangalore is provide 100% genuine service to the customers. Our technicians are well-educated and years of experienced in this service field past many years. We provide warranty card for each and every spare parts that we used for repair. And we giving 1- month service warranty also. We can service for all model AC, s, like Window AC, Split AC, Duct AC, and Cassette AC, etc.
Lloyd AC Service Center in Bangalore
Nice post thanks for sharing with me.
mlm lead generation
Hey - Very Nice Post thanks For sharing with us.
business opportunity leads
If you want to know more about this software then you must read these articles or contact their customer care service at Quickbooks Suppport Phone Number +1 615-510-6154.
Hey everyone, “India is a place where color is twice as bright. Pinks that make your eyes scorch, blues that you can drown in." Foreign citizens can come to India and see this country's beauty. But you don't know how to apply for an India e visa? You can get Indian tourist visa info via our Indian visas website.
If you are looking for contact information for QuickBooks, then be sure to give them a call at Quickbooks Customer Service +1 615-510-6154.
If you really want to get the best online assignment help at an affordable range of price get in touch with
Australia assignment help. Our Assignment Help experts provide subjective based assignment help like, Developing Human Resources
,
Agricultural economics ,
Financial management ,
Business-research-methods
related topics.
If this is in fact the case, then dialing Quickbooks Customer Service +1 877-693-1115. will automatically send all of these issues up to a dedicated QuickBooks help desk that can answer any questions and allow your company to move forward.
For quickbooks help, you can dial a phone number. If you’re working in the United States, the number to call is Quickbooks Customer Service +1 888-698-6548. This company offers help with all of your accounting needs so before you start to panic, make sure to call them up!.
Thank you for sharing this informative post it really gives me knowledge IVF Centre In Faridabad
üsküdar vestel klima servisi
beykoz bosch klima servisi
üsküdar arçelik klima servisi
çekmeköy mitsubishi klima servisi
ataşehir mitsubishi klima servisi
üsküdar toshiba klima servisi
çekmeköy lg klima servisi
pendik samsung klima servisi
pendik mitsubishi klima servisi
You can get answers to all your QuickBooks questions by dialing Quickbooks Customer Service +1 602-325-1557. This is especially helpful if you have deleted or lost important notes or documents that you would require in order to get back on track.
Thank you for this important information it really helps me a lot wonderful bog also check out this Best Fertility Clinic In Faridabad
Such a wonderful blog it contains very important knowledge and helps me a lot also check out this Best Hospital In Faridabad
Thank you for sharing this information it really helpful for me keep doing this and also have a look on this Best Bariatric surgeon in Delhi NCR
Thank you for this important information it really helps me a lot keep doing this work also check out this Best fistula and fissure Surgeon in Delhi NCR
If you need iron gate installation, security gates repair, and electric gate repair in Seattle. then We have an expert team who can do your gate installation and repair.
Visit here : Automatic Gate Repair in Seattle
There’s certainly a great deal to know about this topic. I like all the points you’ve made.
bofrost bestellung stornieren
Nice Article! It deserves a big thumbs up Micros Digital gives Content Marketing Course classes in Ghaziabad. with Professional certificate
This is excellent information. I got some new ideas. Thank you for your post. Malco technology offers the commerical led display screen in Dubai at a very affordable cost.
Great Article, Thank you for providing valuable informatiom. If you are looking for LED panel lights please visit my site.
Keep doing this work also have a look on this Best oesophagus Surgeon in Delhi NCR this blog contains some interesting topics and thank you for this informative post
Washing Machine Repair:
We are the professionals for the all types of washing machines issues can be provided by the genuine services in a call all the days it will be the all time professionals are there for providing the on time services in a few hours all the issues will be rectified by the genuine service center professionals in a call all the days we will give on time services in a few hours at a very reasonable price cost.
washing machine repair
Andorra is a small country in Europe that is not a member of the European Union. Visitors from certain countries may be required to obtain a visa before travelling to Andorra. To apply for Andorra visa
, you will need to provide a completed visa application form, your passport, a passport-sized photograph, and other required documents. Processing times and visa fees may vary, so applying well in advance of your planned travel dates is recommended.
Great post! I loved how you explained the topic in a concise and informative manner. It really helped me understand the subject better."
Top Load Tester
What a wonderful post it has some informative topics and help me a lot keep writting this types of content also have a look on this Top Hospital In Faridabad
"Your comment brightened our day! We appreciate your support and can't wait to hear more from you." Romanian citizens planning to visit India should secure an Indian visa in advance. India Visa for Romania Citizens. The process includes an online application, document submission, and fee payment. Once approved, the visa allows entry for tourism, business, or other specific purposes. Stay updated on the latest visa requirements for a smooth and hassle-free journey to India.
Hello everyone, Welcome to the official e-Visa portal of Azerbaijan, www e visa gov az. This user-friendly platform offers a convenient and efficient way to apply for electronic visas, making your travel to Azerbaijan smoother than ever before.
Hello everyone, Explore the ease and efficiency of securing your UK tourist visa from India. Uncover the wonders of the United Kingdom with a hassle-free application process, making your travel dreams a reality.
Impressive blog content, captivating readers with engaging, well-written articles. Outstanding work—kudos! Obtaining a business visa Saudi Arabia is essential for international entrepreneurs. This visa allows entry for business purposes, but requirements and processes may vary, so consulate for specific details.
Hello sir , The Indian High Commission UK serves as a vital bridge between India and the United Kingdom, fostering diplomatic relations and providing essential services to Indian nationals and UK residents. Explore the key functions and offerings of the Indian High Commission UK in this informative guide.
Nice Blog, Thanks for sharing with us!! Keep sharing.
Do you want to Buy LCD Panels online
Order now!!
Overall, a great read! I suggest breaking down complex ideas into smaller sections for easier digestion. Keep up the good work! Saudi Arabia Umrah Visa for United Kingdom Nationals facilitates pilgrimage. Obtain your visa seamlessly for a spiritual journey.
I must say, these articles are truly impressive. I found myself pleasantly surprised while reading this particular one. The content was both engaging and enlightening, leaving me eager for more.Istanbul To Ankara Train Guide
I want you to know that I'm a huge fan of your writing! The way you've structured this paragraph is nothing short of brilliant. Also Stay informed about the current Updates on e visa Saudi Arabia for Pakistani nationals.
The tips shared here for improving productivity are incredibly practical. I'm definitely going to implement some of these strategies in my work routine! Excited to explore Saudi Arabia with the convenience of the new Saudi electronic visa. Streamlined process for hassle-free travel arrangements.
"I appreciate the author's in-depth research and analysis."
Buy spy gadgets online and discover a world of secret recording, camera detectors, and more. As a trusted wholesaler and store, we provide top-quality products for your ultimate peace of mind. Revolutionize your security with Spy Shop Online today!
Chimney Repair and Installation Service Center, RO, AC, Washing Machine, Geyser, Microwave Repair, & House Electrical Wiring Work in all over Delhi, Gurugram.
Chimney Service in Janakpuri
"Discover the power of Globalsync which can manage your business management", a comprehensive platform that seamlessly integrates talent acquisition, talent management, and talent analytics. Elevate your workforce by cultivating your existing talent and strategically recruiting new additions. With actionable analytics supporting every decision, Globalsync empowers you to make informed choices for sustained success. We invite you to experience the excellence of Globalsync through a live demo conducted by one of our experts. See firsthand why Globalsync stands out as the leading solution in talent optimization. Schedule your live demo today and unlock the potential of intelligent talent management.
By subjecting coatings to a controlled mist of saline solution, the chamber provides manufacturers with critical insights into how their products withstand corrosion over time. This not only enhances the quality control processes but also contributes significantly to industrial growth by fostering the development of more robust and enduring materials. The Salt Spray Test Chamber acts as a cornerstone in pursuing excellence, driving innovation and progress in diverse sectors, from automotive and aerospace to electronics and beyond.
Great post! I recently encountered some issues with my Sony TV and found your tips incredibly helpful. One thing I would add is the importance of checking the HDMI cables and ports, as loose connections can often cause problems with picture and sound quality. For those dealing with software glitches, a factory reset sometimes does wonders, though it's always good to back up your settings. If the issue is hardware-related, reaching out to a certified Sony technician is definitely the best route. Thanks again for the detailed guide—it's a fantastic resource for anyone looking to troubleshoot their Sony TV!
Great article! I really appreciate the detailed breakdown on troubleshooting common issues with Sony TVs. Your step-by-step approach makes it easy for even non-tech-savvy users to follow along and attempt basic repairs themselves before calling in a professional. Sony tv repair Bangalore
One point that stood out to me was the emphasis on ensuring the firmware is up to date. I've found that many TV glitches are often resolved with a simple software update, which can save a lot of time and frustration. It's also good to remind users to check all their cable connections as a first step; sometimes it's the simplest things that cause the most headaches. Sony tv repair Bangalore
In London, the salary for nurses can vary widely depending on factors such as experience, specialization, and NHS pay bands. Newly qualified nurses often earn approximately £2,500 to £2,800 per month. As nurses gain experience, their salary can increase to anywhere from £3,000 to £4,500 monthly. Specialist nurses or those working in areas with high demand may command salaries exceeding £4,500 per month. In addition to their base salaries, nurses may also benefit from overtime pay, shift allowances, and other incentives that can boost their overall income. The type of healthcare setting—whether it be hospitals, clinics, or private practices—can also impact salary levels. Furthermore, the higher cost of living in London is an essential consideration when assessing nurses' salaries in the city. Overall, the compensation reflects the critical role nurses play in the healthcare system while also addressing the financial challenges of living in the capital.
https://www.dynamichealthstaff.com/nurse-salary-in-london-per-month
The Gurgaon Breast Cancer Hospital is a leading facility dedicated to the comprehensive treatment and care of breast cancer patients. Equipped with state-of-the-art technology and a team of experienced oncologists, the hospital provides a multidisciplinary approach to breast cancer management. Patients can expect personalized treatment plans that integrate advanced surgical techniques, chemotherapy, and radiation therapies, tailored to individual needs. The hospital also emphasizes patient education and emotional support, ensuring that patients and their families are well-informed throughout their journey. With ongoing clinical trials and research initiatives, the Gurgaon Breast Cancer Hospital stays at the forefront of breast cancer innovations. Facility amenities include comfortable patient rooms, outpatient services, and counseling support, fostering a holistic healing environment. The commitment to excellence in care and compassionate support has made the hospital a trusted choice for breast cancer treatment in the region.
https://www.breastoncosurgery.com/know-the-doctor/profile
The best neuroendocrine cancer surgeon in Ahmedabad is renowned for her expertise in complex cases, utilizing advanced surgical techniques to deliver optimal patient outcomes. With a compassionate approach, she prioritizes patient comfort and works diligently to alleviate both physical and emotional challenges faced during treatment. Her ability to formulate personalized surgical plans, in collaboration with a multidisciplinary team, ensures comprehensive care tailored to each individual's needs. Proficient in the latest surgical innovations, she enhances recovery times while minimizing risks. Patient education is a cornerstone of her practice, empowering individuals with knowledge about their diagnosis and treatment options. With a commitment to continuous learning, she stays updated on cutting-edge developments in neuroendocrine cancer surgery. Ultimately, her blend of skill, empathy, and dedication solidifies her position as a trusted leader in neuroendocrine cancer care in Ahmedabad.
https://drvirajlavingia.com/services/neuroendocrine-cancer-specialist-in-ahmedabad
The breast cancer surgeon in Mumbai is a renowned expert, specialising in the intricate field of breast oncology. Her practice revolves around personalized, patient-centred care, ensuring treatment plans are tailored to each woman's unique needs and circumstances. Known for her expertise in advanced surgical techniques, she performs a range of procedures, including lumpectomies and mastectomies, with a focus on minimising recovery time and patient discomfort. She places a strong emphasis on patient education, fostering an environment where individuals are empowered to make informed decisions regarding their treatment options. Her compassionate approach helps build trust, making patients feel valued and understood throughout their journey. Collaborating with a multidisciplinary team, she addresses every facet of patient health and wellness. By staying abreast of the latest research and medical advancements, she integrates innovative practices into her work. Ultimately, her dedication not only improves surgical outcomes but also enhances the quality of life for her patients.
https://drnitanair.com/contact/contact-dr-nita-nair-mumbai
Man and A Van Edinburgh is the perfect choice for small-scale moves and local deliveries. Our expert team handles everything from single item transport to furniture relocation with care and efficiency. Equipped with experienced drivers and reliable vehicles, we ensure your belongings are safely and securely transported. Flexible scheduling allows our service to meet your specific timing needs. With competitive pricing, Man and A Van Edinburgh offers affordable yet top-quality moving solutions. Customer satisfaction is paramount, and we commit to making your move seamless and hassle-free. Trust us for your next small move or local delivery, and experience unmatched reliability and convenience.
https://eh1-edinburghremovals.co.uk/man-and-van-edinburgh/
Custom-designed ALUMINIUM PERGOLA options for stylish outdoor areas.
Discover luxury with Chrome Hearts Jewelry at the Official Shop. Enjoy 30% off exclusive designs. Elevate your style with iconic pieces today!
"I loved the blog content, please keep posting it. breast cancer surgery in Dombivli"
Post a Comment